080033 Argolla Para Proa 3/8″ X 3-15/16″ – Sea Dog
Estas argollas de proa se utilizan como punto de amarre en la proa de su barco. Los ejes de 3/8” tienen roscas laminadas. Construidos con acero inoxidable 304 mecanizado resistente a la corrosión. Incluye tuercas de acabado ajustables, que brindan un rendimiento superior a los ojos de popa estilo anillo de engarzado. Se puede usar junto con los ojos de elevación (048330 o 048350) para un conjunto de elevación más robusto.
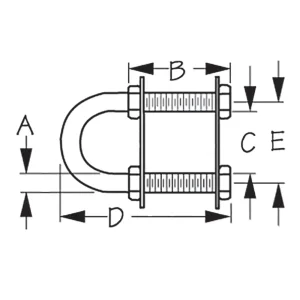
Medidas correspondientes a la segunda imagen
Hilos: 3/8”
A: 3/8”
B: 1 ½”
C: 1 1/16”
D: 3 15/16”
E: 1 7/16”









Valoraciones
No hay valoraciones aún.